-
Description
In recent years, with the popularity of AR and VR products, the process requirements for AR and VR equipment manufacturing have become higher and higher. In the process of product inspection, a light source with very high uniformity is required. -
Requirement
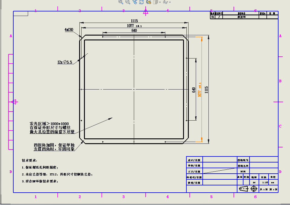
Used for system test surface light source; luminous area 1000mm x 1000mm; uniformity of more than 95%; black and white checkerboard glass on the surface of the light source; light source color: white -
Technical difficulty
The uniformity reaches more than 95%; the light-emitting area is 1000mm x 1000mm
.jpg)
.jpg)
.jpg)
.png)
.png)

































































































































































